欢迎来到江苏欧邦电机制造有限公司网站!

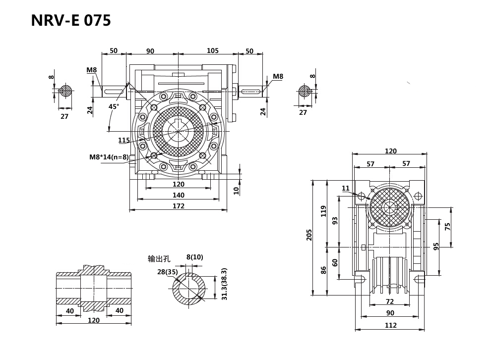
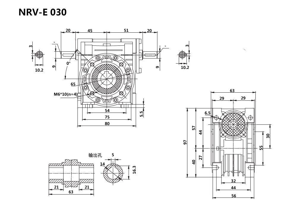
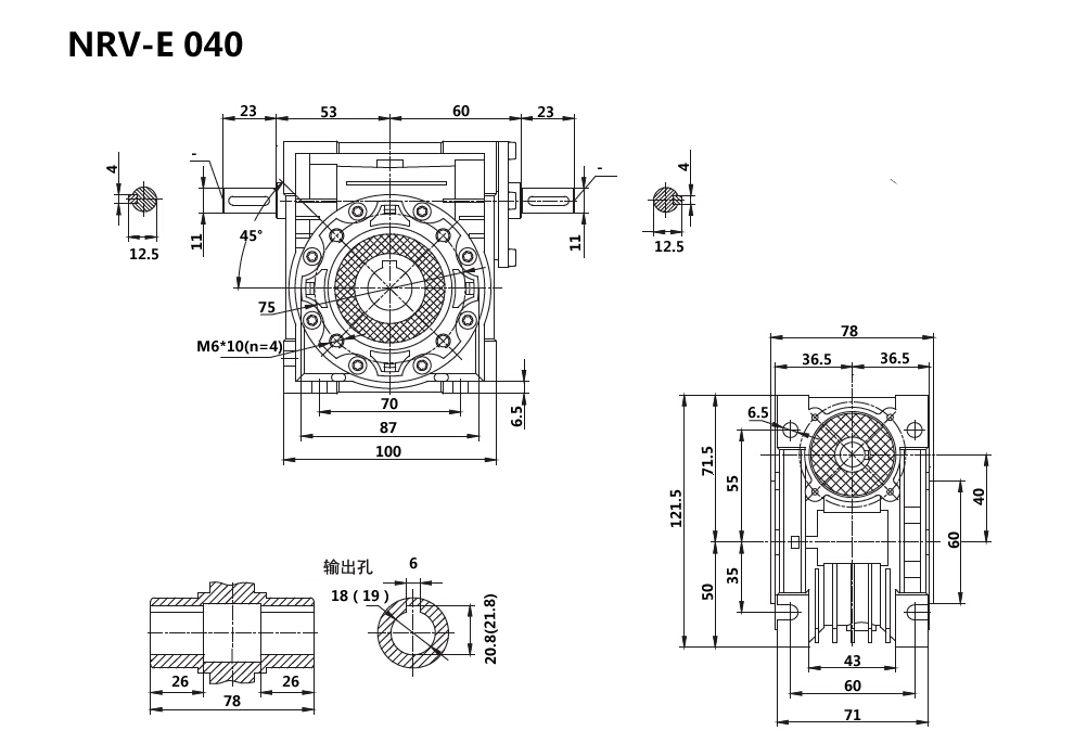
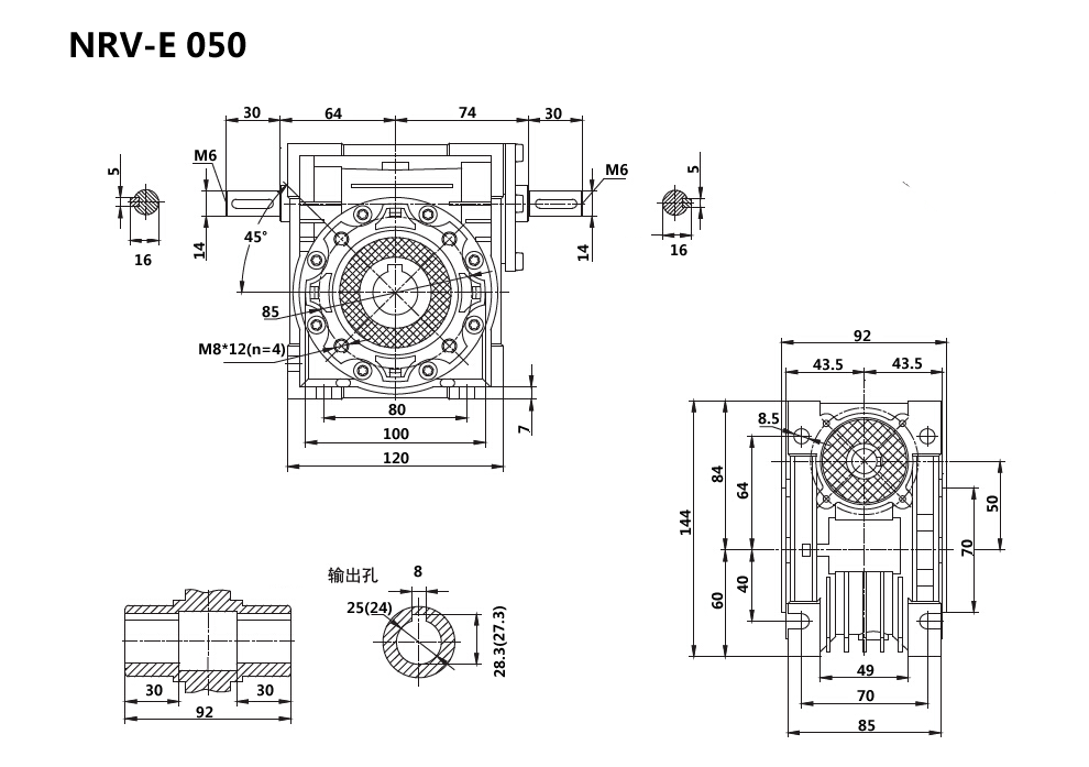
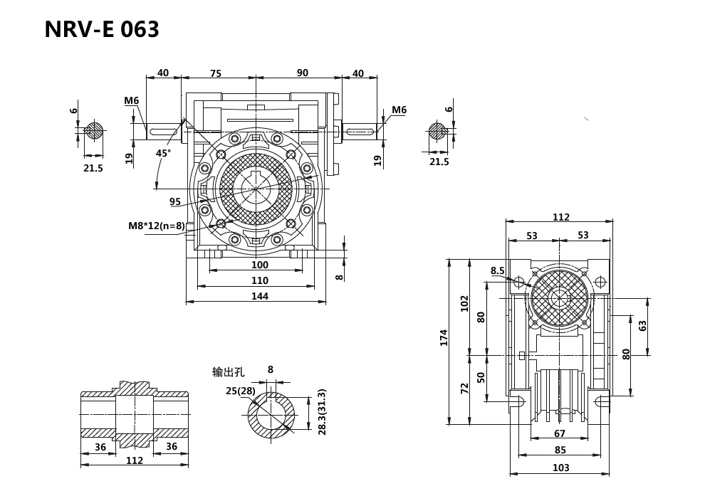
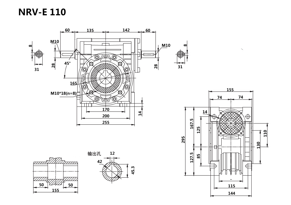
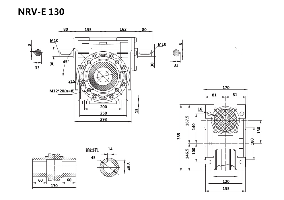
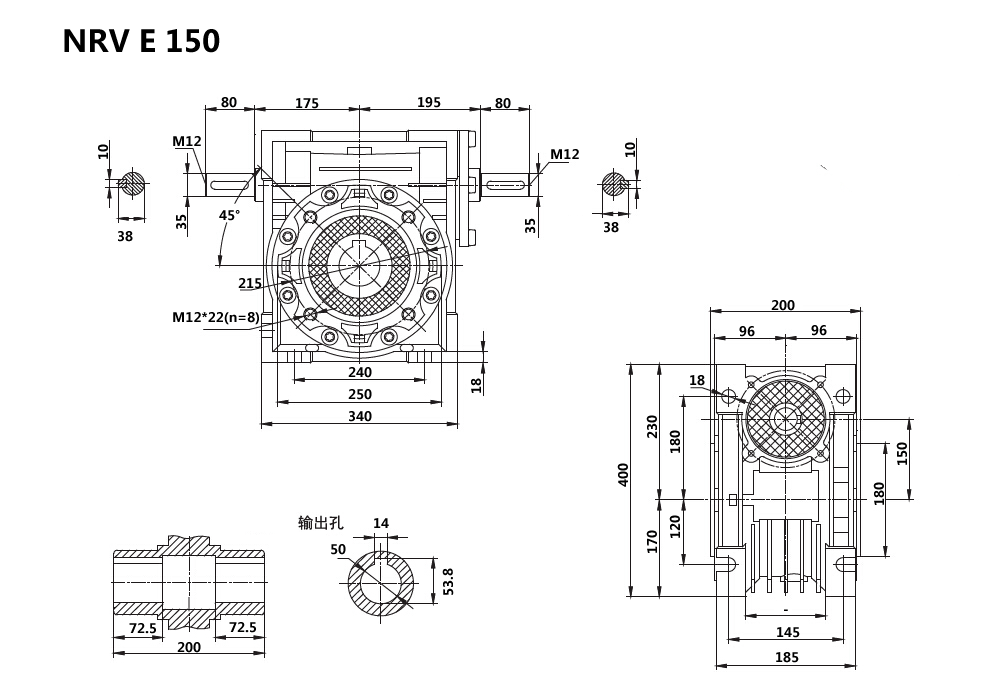
NRV-E系列

  • ...
立即咨询
全国热线13858000727

详情介绍

标签: